#1 gladio70 Dom 14 Giu, 2020 12:04
buongiorno , mi chiedevo se qualcuno di voi fa confronti tra schermi solari o stazioni meteo , sarebbe bello metterli tutti in un post , per confrontare vedere le varie configurazioni ecc ecc ,... io ormai li faccio da parecchio tempo , e sono davvero molto interessanti si capiscono tante cose che a volte sfuggono , intanto vi posto il confronto di ieri ,e la postazione meteo dove sono posizionati gli schermi ,

gli schermi sono sul tetto e orientati a SW , la postazione è formata da 1 schermo meteoshield pro 1davis 7714 2 auto costruiti passivi che poi piu' avanti approfondiremo come sono fatti,la ws80 per il momento non c'è, i sensori usati sono wh ecowitt e dp50 froggit , che poi sono la stessa cosa ,
-
-
Novizio
-
- Utente #: 2051
- Registrato: 13 Gen 2016
- Età: 55
- Messaggi: 131
-
181 Punti
- Preferenza Meteo: Freddofilo
- Stazione Meteo: Davis Vantage Pro2, Fine Offset/Froggit WH-xxxx, Ecowitt e Altro
- Località: Ortelle
-
#3 gladio70 Dom 14 Giu, 2020 12:21
ottimo ,,, avevo cercato , ma mica li trovavo  lo puoi togliere allora mi sposto di la
-
-
Novizio
-
- Utente #: 2051
- Registrato: 13 Gen 2016
- Età: 55
- Messaggi: 131
-
181 Punti
- Preferenza Meteo: Freddofilo
- Stazione Meteo: Davis Vantage Pro2, Fine Offset/Froggit WH-xxxx, Ecowitt e Altro
- Località: Ortelle
-
#4 green63 Dom 14 Giu, 2020 15:29
ringrazio Andrea per le gentili parole, nonostante avrebbe tutti i diritti per essere arrabbiato con me non lo fa trasparire, a conferma ulteriore, qualora fosse necessario, delle grandi doti umane del Presidente
Posso promettere di migliorare la mia partecipazione, finalmente credo di aver risolto le problematiche relative al lavoro, è stato difficile riuscire a non essere tra i molti che hanno lasciato abbassate le serrande gettando la spugna, ed è un risultato frutto di un grande lavoro, che ha impegnato per mesi le mie forze, peraltro deboli ultimamente vuoi per l'età vuoi per un certo aggravamento di un problema articolare per il quale ho bisogno di un intervento abbastanza impegnativo.
Finiti i piagnistei, farò del mio meglio, sperando che la stanza strumenti sia nel frattempo cresciuta, ultimamente avevo notato una certa tendenza, da parte di alcuni, a denigrare un certo approccio, la ricerca di performance sempre migliori, un cercare di comunicare velatamente "ma che te frega di due decimi?? ma lascia stà, tanto sulle medie mensili che conta?"
Grazie
Mauro
____________ "La misura della reale temperatura dell'aria è l'arduo tentativo di misurare un misurando non misurabile" (Mauro)
"Quando parli con me di raffronti tra stazioni "vicine" sappi che per me 50 metri sono troppi" (Mauro)
-
-
Utente Senior
-
- Utente #: 1338
- Registrato: 28 Set 2012
- Età: 62
- Messaggi: 3037
-
321 Punti
- Preferenza Meteo: Freddofilo
- Stazione Meteo: Davis Vantage Pro2 e Altro
- Località: Marina di Montemarciano (AN)
-
#5 andrea75 Dom 14 Giu, 2020 16:55
Nessun problema Mauro. Ci mancherebbe che mi arrabbio se non riesci a partecipare come vorresti... piuttosto mi dispiace, quello sì.
Oltretutto non credo ci siano stati particolari atteggiamenti denigratori nei tuoi confronti, anzi, di solito ho sempre notato apprezzamenti e complimenti per quello che fai. Ma nel caso ci fossero stati mi spiace non averli notati e stigmatizzati come sarebbe stato giusto fare. Ti consiglio tuttavia di lasciar correre... perché spesso prendersela non vale nemmeno la pena.
____________ Facebook: lineameteo - Twitter: @lineameteo
Stazione meteo di San Mariano (PG)
Dati meteo in tempo reale
http://sanmariano.lineameteo.it
-
-
Presidente
-
- Utente #: 2
- Registrato: 31 Mar 2005
- Età: 50
- Messaggi: 45586
-
4109 Punti
- Preferenza Meteo: Freddofilo
- Stazione Meteo: LaCrosse WS2300
- Località: San Mariano (PG) - 290 mt.
-
#6 green63 Lun 15 Giu, 2020 08:58
Nessun problema Mauro. Ci mancherebbe che mi arrabbio se non riesci a partecipare come vorresti... piuttosto mi dispiace, quello sì.
Oltretutto non credo ci siano stati particolari atteggiamenti denigratori nei tuoi confronti, anzi, di solito ho sempre notato apprezzamenti e complimenti per quello che fai. Ma nel caso ci fossero stati mi spiace non averli notati e stigmatizzati come sarebbe stato giusto fare. Ti consiglio tuttavia di lasciar correre... perché spesso prendersela non vale nemmeno la pena. 
Grazie Boss
M
____________ "La misura della reale temperatura dell'aria è l'arduo tentativo di misurare un misurando non misurabile" (Mauro)
"Quando parli con me di raffronti tra stazioni "vicine" sappi che per me 50 metri sono troppi" (Mauro)
-
-
Utente Senior
-
- Utente #: 1338
- Registrato: 28 Set 2012
- Età: 62
- Messaggi: 3037
-
321 Punti
- Preferenza Meteo: Freddofilo
- Stazione Meteo: Davis Vantage Pro2 e Altro
- Località: Marina di Montemarciano (AN)
-
#7 gladio70 Gio 09 Lug, 2020 15:39
salve, visto che l'ho aperta questa discussione ,  vi mostro i miei confronti in atto , prima di tutto la postazione attuale  , i confronti sono tra meteoshield pro e lastem , in questi schermi sto usando i nuovi sensori a sonda sht35 della ecowitt
poi confronto il davis con il lastem , (nel davis c'è un wh31 modificato sht30) ed infine davis con ws80
1)
2) davis-lastem
3)
bene per qualsiasi chiarimento, non esitate a chiedere
-
-
Novizio
-
- Utente #: 2051
- Registrato: 13 Gen 2016
- Età: 55
- Messaggi: 131
-
181 Punti
- Preferenza Meteo: Freddofilo
- Stazione Meteo: Davis Vantage Pro2, Fine Offset/Froggit WH-xxxx, Ecowitt e Altro
- Località: Ortelle
-
#8 Freddoforever Gio 09 Lug, 2020 20:39
Quanto costa il Lastem e come è all'interno a livello di spazio?
-
-
Veterano
-
- Utente #: 1445
- Registrato: 28 Gen 2013
- Età: 48
- Messaggi: 2510
-
1120 Punti
- Preferenza Meteo: Freddofilo
- Stazione Meteo: LaCrosse WS2350
- Località: Sarnano (MC) 580 m.s.l.m.
-
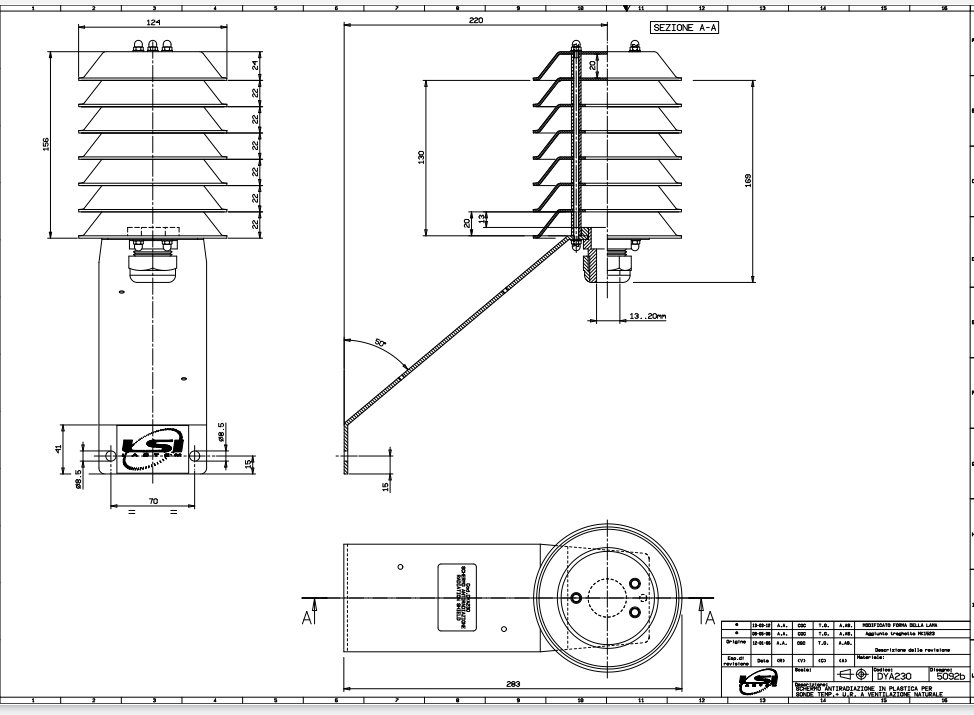
#9 gladio70 Gio 09 Lug, 2020 20:46
Ciao , il lastem è piccolo , ma funziona bene , costa 130 euro + iva e spedizione, guarda il disegno per le dimensioni
| Descrizione: |
|
| Dimensione: |
113.05 KB |
| Visualizzato: |
File visto o scaricato 60 volta(e) |

|
-
-
Novizio
-
- Utente #: 2051
- Registrato: 13 Gen 2016
- Età: 55
- Messaggi: 131
-
181 Punti
- Preferenza Meteo: Freddofilo
- Stazione Meteo: Davis Vantage Pro2, Fine Offset/Froggit WH-xxxx, Ecowitt e Altro
- Località: Ortelle
-
#10 gladio70 Ven 10 Lug, 2020 22:16
dati di oggi confronto met pro-lastem-ws80
-
-
Novizio
-
- Utente #: 2051
- Registrato: 13 Gen 2016
- Età: 55
- Messaggi: 131
-
181 Punti
- Preferenza Meteo: Freddofilo
- Stazione Meteo: Davis Vantage Pro2, Fine Offset/Froggit WH-xxxx, Ecowitt e Altro
- Località: Ortelle
-
#11 Freddoforever Sab 11 Lug, 2020 08:40
Ciao , il lastem è piccolo , ma funziona bene , costa 130 euro + iva e spedizione, guarda il disegno per le dimensioni
Pensavo costasse come il Davis,a livello di prestazioni dai grafici da te postati si inserisce tra quest'ultimo e il Barani,peccato sia abbastanza piccolo all' interno e non possa ospitare sensori più voluminosi.
-
-
Veterano
-
- Utente #: 1445
- Registrato: 28 Gen 2013
- Età: 48
- Messaggi: 2510
-
1120 Punti
- Preferenza Meteo: Freddofilo
- Stazione Meteo: LaCrosse WS2350
- Località: Sarnano (MC) 580 m.s.l.m.
-
#12 gladio70 Sab 11 Lug, 2020 08:47
Sì è un compromesso tra il Davis ed il Barani , è stretto non si può mettere i sensori a scatoletta, a meno che non sia di dimensioni piccole, è nato per i sensori a sonda , però se si fa qualche modifica ai sensori ,eliminando l'involucro o cose del genere si può adattare ,
-
-
Novizio
-
- Utente #: 2051
- Registrato: 13 Gen 2016
- Età: 55
- Messaggi: 131
-
181 Punti
- Preferenza Meteo: Freddofilo
- Stazione Meteo: Davis Vantage Pro2, Fine Offset/Froggit WH-xxxx, Ecowitt e Altro
- Località: Ortelle
-
#13 Dic96 Lun 13 Lug, 2020 09:59
Buongiorno. Ho avuto due stazioni meteo (La Crosse) e in entrambe ho costruito lo schermo manualmente (passivo), utilizzando dei sottovasi.
Nel primo caso la stazione era collocata su tetto e ha sempre fatto il suo bel lavoro: dati corretti con areazione a 360 gradi.
Nel secondo caso invece, in giardino, ho riscontrato uno scostamento terribile con le Davis collocate a pochi chilometri: con soleggiamento estivo registravo persino 4 gradi in più degli altri! E lo schermo è sempre quello...
Mi confermate che l’unica motivazione può essere l’installazione? Siamo a due metri d’altezza con suolo erboso in giardino ricco di piante/siepi. Non avrei mai mai mai creduto che per avere dati così falsati bastasse mettersi in giardino leggermente riparato, ma comunque piuttosto ampio! Però a cos’altro potrei imputare questo “fallimento”??? È l’unica spiegazione, lo schermo, ripeto, è costruito come tanti altri...
____________ Installazione su tetto a 15 metri da terra
Ultima modifica di Dic96 il Lun 13 Lug, 2020 10:02, modificato 5 volte in totale
-
-
Utente Senior
-
- Utente #: 523
- Registrato: 29 Gen 2009
- Età: 39
- Messaggi: 4482
-
1045 Punti
- Preferenza Meteo: Indifferente
- Località: Terni
-
#14 Freddoforever Lun 13 Lug, 2020 15:20
Buongiorno. Ho avuto due stazioni meteo (La Crosse) e in entrambe ho costruito lo schermo manualmente (passivo), utilizzando dei sottovasi.
Nel primo caso la stazione era collocata su tetto e ha sempre fatto il suo bel lavoro: dati corretti con areazione a 360 gradi.
Nel secondo caso invece, in giardino, ho riscontrato uno scostamento terribile con le Davis collocate a pochi chilometri: con soleggiamento estivo registravo persino 4 gradi in più degli altri! E lo schermo è sempre quello...
Mi confermate che l’unica motivazione può essere l’installazione? Siamo a due metri d’altezza con suolo erboso in giardino ricco di piante/siepi. Non avrei mai mai mai creduto che per avere dati così falsati bastasse mettersi in giardino leggermente riparato, ma comunque piuttosto ampio! Però a cos’altro potrei imputare questo “fallimento”??? È l’unica spiegazione, lo schermo, ripeto, è costruito come tanti altri...
Potrebbe dipendere anche dal tipo di esposizione al sole ed eventuale maggiore o minore ombreggiamento ma anche in quale punto del giardino si trova la stazione,per esempio io ho la stazione in un punto rognoso in quanto c'è un mix tra forte soleggiamento,poca ventilazione,esposizione solo a sud e muretti in cemento che la fanno sovrastimare risolto parzialmente con una palpebra ombreggiante,purtroppo non posso spostarla da li se non sul tetto.
Ultima modifica di Freddoforever il Lun 13 Lug, 2020 15:22, modificato 1 volta in totale
-
-
Veterano
-
- Utente #: 1445
- Registrato: 28 Gen 2013
- Età: 48
- Messaggi: 2510
-
1120 Punti
- Preferenza Meteo: Freddofilo
- Stazione Meteo: LaCrosse WS2350
- Località: Sarnano (MC) 580 m.s.l.m.
-
#15 green63 Lun 13 Lug, 2020 15:22
Buongiorno. Ho avuto due stazioni meteo (La Crosse) e in entrambe ho costruito lo schermo manualmente (passivo), utilizzando dei sottovasi.
Nel primo caso la stazione era collocata su tetto e ha sempre fatto il suo bel lavoro: dati corretti con areazione a 360 gradi.
Nel secondo caso invece, in giardino, ho riscontrato uno scostamento terribile con le Davis collocate a pochi chilometri: con soleggiamento estivo registravo persino 4 gradi in più degli altri! E lo schermo è sempre quello...
Mi confermate che l’unica motivazione può essere l’installazione? Siamo a due metri d’altezza con suolo erboso in giardino ricco di piante/siepi. Non avrei mai mai mai creduto che per avere dati così falsati bastasse mettersi in giardino leggermente riparato, ma comunque piuttosto ampio! Però a cos’altro potrei imputare questo “fallimento”??? È l’unica spiegazione, lo schermo, ripeto, è costruito come tanti altri...
Ciao,
più correttamente direi che la motivazione è lo schermo e non la posizione, quest'ultima è solo la causa scatenante che evidenzia problemi di schermatura
in alto, a tetto, con ventilazione presumibilmente sempre ben presente, lo schermo, seppure non efficace, riesce a smaltire il calore interno e restituire un dato "presumibilmente" vicino al reale
in giardino, a 2 mt da terra, la ventilazione naturale è già di per se nettamente inferiore, la presenza di ostacoli, piante e siepi, non fa che aggravare la situazione
un buon schermo solare scherma bene in tutte le condizioni, con le ovvie differenze dettate dal posizionamento, a 10 mt dal suolo le temperature minime sono sempre più elevate rispetto a 2 mt dal suolo, e le massime inferiori, anche in maniera apprezzabile
Mauro
____________ "La misura della reale temperatura dell'aria è l'arduo tentativo di misurare un misurando non misurabile" (Mauro)
"Quando parli con me di raffronti tra stazioni "vicine" sappi che per me 50 metri sono troppi" (Mauro)
-
-
Utente Senior
-
- Utente #: 1338
- Registrato: 28 Set 2012
- Età: 62
- Messaggi: 3037
-
321 Punti
- Preferenza Meteo: Freddofilo
- Stazione Meteo: Davis Vantage Pro2 e Altro
- Località: Marina di Montemarciano (AN)
-
Questo argomento è stato utile?
Questo argomento è stato utile?
| Condividi Argomento |
|
 |
| Inserisci un link per questo argomento |
| URL |
|
| BBCode |
|
| HTML |
|
Argomenti Simili
Argomenti Simili
Lista Permessi
|
Non puoi inserire nuovi Argomenti Non puoi rispondere ai Messaggi Non puoi modificare i tuoi Messaggi Non puoi cancellare i tuoi Messaggi Non puoi votare nei Sondaggi Non puoi allegare files Puoi scaricare gli allegati Non puoi inserire eventi calendario
|
|
|
|
|